- Режим работы сервисапн - пт 10:00 - 19:00
сб, вс - выходной - E-mailservice@luxpro.com.ua
- Наш адрес04073, г. Киев
ул. Полевая, 21 офис 104
- Контактные телефоны+38(044) 221-11-48
+38(067) 247-79-48
+38(093) 853-97-48
+38(095) 714-32-48 - Viber+38(095) 741-02-77
- Skypemaster.lux-service
Прайс на выполняемые работы при ремонте диммера
Замена кнопки - 1шт 75грн/+* Замена регулятора - 1шт 75грн/+* Замена конденсатора, транзистора - 1шт 60грн/+* Замена разъема, индикатора - 1шт 75грн/+* Ремонт блока питания 300грн/+* Ремонт электронной (механической) части 450грн/+* Сноска * обозначает БАЗОВЫЕ УСЛУГИ: разборка, сборка, диагностика, чистка и профилактика оборудования 420грн
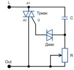
Диммер это аппарат который регулирует мощность световых приборов а также изменяет напряжение, которое подается на лампу от 0-220В. Говоря простыми словами, это аппарат который не только выключает и включает свет но и регулирует яркость этим самым экономя электроэнергию и увеличивая срок службы ламп. Диммером может управлять не только лампами но и так популярным последнее время светодиодным освещением. Это очень удобно, так как можно выставить яркость создавая этим комфортные условия. Им можно выставить яркость в комнатах, архитектурных сооружений, театрах.Диммер имеет защиту по коротком замыкание от:
- Перегрева
- Перегрузки.
К сожалению не всегда защита спасает. И приходится аппарат ремонтировать. Чаще всего выходят из строя: симистор, оптопара, микросхема. Чтобы всего этого избежать нужно правильно эксплуатировать аппарат, не перегревать и не перегружать. Также есть универсальные диммерующие устройства. Это диммер-контроллер. Который включает в себя: регулятор яркости, скорость переключения между каналами, режим «AUTO», звуковую активацию «SOUND» DMX.
Как и вся электронная техника рано или поздно начинает нуждается в починке или просто профилактике. Процесс сервисного обслуживания является достаточно точным и кропотливым. Сервисный центр Lux SERVICE производит починку аппаратов всех видов и брендов.При проведении починки мастера сервисного центра используют только оригинальные электронные компоненты, которые советует использовать завод изготовитель, чтобы сберечь высокое качество, которое заложено производителем. Наш сервисный центр также имеет всю необходимую контрольно-измерительную аппаратуру для быстрого и качественного сервисного обслуживания.Восстановление должны проводить только высококвалифицированные мастера, т.к. в противном случае неквалифицированные действия любителя могут привести еще к более серьезным поломкам, а их устранение к дополнительному повешению стоимости за отладку.Обращаем Ваше внимание, что сервисный центр Lux SERVICE работает по всей Украине. Доставку на сервисное обслуживание оборудования вы можете осуществить лично сдав его к нам в офис по адресу: г. Киев, ул. Полевая, 21, офис 104, а также переслав его нам со своего города удобным для Вас перевозчиком в г. Киев на отделение указанный вам сотрудником нашей компании.При сдаче диммера в наш сервисный центр мы проводим в течении 2-3 дней его предварительную диагностику, уведомляем клиента о предварительной сумме за работы и стоимость зап. частей и после согласования срока и цены, непосредственно осуществляем ремонт. Оплату за выполненную услугу вы можете осуществить удобным для вас способом указанным в разделе Оплата. На выполненную работу мы даем гарантию 3 месяца.Услуги осуществляемые сервисным центром LuxService
Простой ремонт: неполная разборка - сборка оборудования, смазка, чистка оптики, профилактика аппарата, замена: предохранителей, кнопок, регуляторов, оборванных проводников, головки без настройки (проведение мелкого ремонта аппаратуры)
360 грн - 570 грн
Сложный ремонт: глубокая разборка - сборка, замена микросхем и неисправных элементов, механических узлов и деталей, настройка аппарата, глубокая чистка, настройка и ремонт видеопроектора
570 грн - 1050 грн
Нестандартный ремонт: неисправности, которые были связанны с неправильной эксплуатацией оборудования
(превышение напряжения в сети, механические воздействия, заливание жидкостью и т.п.)
от 750 грн
ДИАГНОСТИКА: проведение разборки - сборки, выявление причин неисправности, подготовка сметы ремонтных работ
(при проведении ремонтных работ стоимость диагностики входит в цену ремонта и отдельно не оплачивается)
200 грн - 300 грн
Срочный ремонт: данный ремонт проводится вне очереди и стоит на 50 % дороже
на 50 % дороже от действующего тарифа
Внеплановый (экстренный) вызов специалиста: вызов специалиста в Ваш клуб, ресторан для диагностики светового и звукового оборудования, решения неотложных проблем наладки и работоспособности в целом
450 грн - 600 грн
- Режим работы сервисапн - пт 10:00 - 19:00
Ремонт диммера (СЕРВИСНЫЙ ЦЕНТР ВРЕМЕННО НЕ РАБОТАЕТ)
Дата публикации 06.11.2015.
| Отзывы по статье :
средний рейтинг: 5 отзывов: 5
|
Написать отзыв (вопрос) |
Здравствуйте, подскажит, вы ремонтируете светорегулятор schneider asfora 600вт?
Ответ администрации магазина: Добрый день
Мы не ремонтируем бытовые приборы. В Вашем случае проще купить новый светорегулятор.
|
Здравствуйте. Поломался четырех канальный диммерный блок. Неисправность заключается в том что устройство перестало работать по DMX каналу. Можно его принести к вам в сервис?
Ответ администрации магазина:
Здравствуйте. Можете принести, постараемся сделать. |
Добрый день. Перестал работать диммерный блок при управлении от dmx, в автоматических режимах работает нормально. Можно его принести к вам на ремонт.
Ответ администрации магазина:
Добрый день. Можете принести диммер на ремонт. |
Добрый день. Есть 4-х канальный диммер и в нем перестал управляться один канал. Можно его привести вам на ремонт?
Ответ администрации магазина:
Добрый день. Можете сдать его в ремонт нашего сервисного центра. Мы работаем с понедельника по пятницу с 10.00 до 19.00, а также работаем в субботу с 10.00 до 15.00. |
Здравствуйте, сдавал на диагностику диммеры модели DP-610. Что с ними?
Ответ администрации магазина: В диммерах модели DP-610 вышли из строя симисторы управления выходной нагрузкой. Причиной их выхода могла стать перегрузка по каналах. Перегрузка могла быть вызвана из-за подключения устройств большей мощности чем максимально допустимая, также возможно было короткое замыкание на выходе устройства. Также причиной выхода из строя электронных элементов может быть недостаточное охлаждение.
|
О нас
Как мы работаем



.jpg)






.jpg)
.jpg)





.jpg)





































